На первый заказ применяется максимальная скидка - ОПТ2
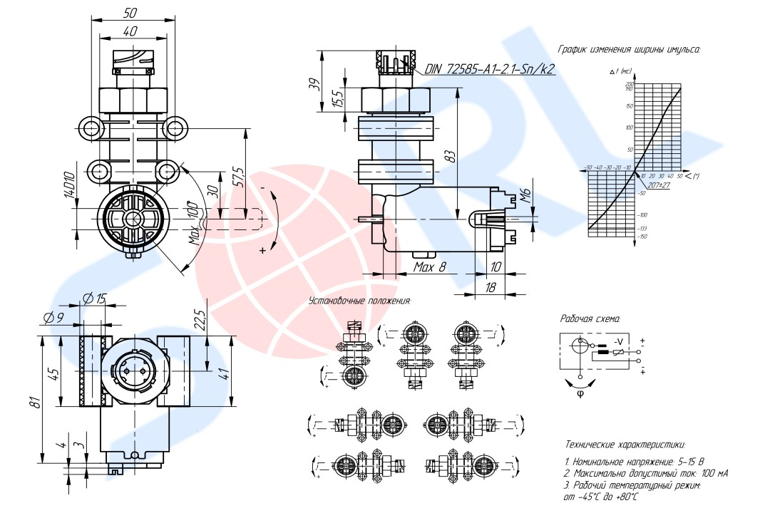
Характеристики
Назначение
КАМАЗ,
VOLVO,
IVECO,
DAF,
SCANIA,
RENAULT,
MAN,
MERCEDES-BENZ,
SHAANXI,
SCHMITZ,
FAW,
FREIGHTLINER,
FOTON,
YUTONG,
ISUZU,
HINO,
KRONE,
LOHR,
KOGEL,
FORD,
KINGLONG
Артикул ОЕМ
4410500110
Производитель
SORL
Ранее просмотренные
